OptiOne®
OptiVantage®
소모품
OptiOne® CT Single injector

Dual CPU
Color Touch LCD 모니터
양방향으로 모니터링 가능

분리형 자켓
자켓 교환 방식으로 실린지로부터 조영제가 새어 나오는 만약의 경우 메인장비 주요 부품의 오염을 방지할 수 있음.
*200ml Syringe Load
**Disposable Syringes 필요

Tilt Sensor
파워헤드의 수직 위치 설정(Powerhead in Vertical Position)
모든 공기가 제거되고 튜빙에 프라임 된 후 파워 헤드는 누수를 방지하기 위해 주입이 준비될 때 까지 반드시 수직 방향으로 위치되어야 한다.(Ⓐ)
[Enable]은 파워헤드가 수평방향보다 30°아래로 회전 되면 활성화 된다.(Ⓑ)

Pessure Monitoring Bar
조영제 주입 시 실시간 Pressure Monitoring Bar 확인 가능.
조영제 주입 후 결과값 확인 가능 및 이전 결과 값 최대 24개 저장
Flow Rate: 0.1 – 10 mL/s / Volume: 0.1 to volume in Syringe (200ml)

Optibolus 정의
조영제가 환자에게 주입되는 동안 설정된 주입속도를 프로그램에 의해서 점차적으로 늦춰 주는 기능
Optibolus 장점
심장 찰영 시 ARTIFACTS를 없애줌으로써 이미지 극대화
CT값(HU) 값을 일정하게 유지시킴으로써 이미지 극대화
혈관 찰영 시 미세한 혈관까지 일정한 농도의 조영술을 보여줌
조영제 사용량 감소 효과
주입 속도를 늦춰주기 때문에 EXTRAVASATION을 감소 시킴
1.
OptiOne은 2017년 6월에 국내 출시된 최신의 CT Single Injector로서 기존 모델인 CT 9000ADV의 아날로그방식에서 완전 디지털 방식으로 변화를 주었습니다.
2.
독보적인 국내 판매량을 보유한 CT Single Injector인 CT 9000ADV를(국내 총판매량 500~600여대) 통해 LF Injector의 내구성을 다시 한번 입증할 수 있습니다.
3.
CT Dual Injector인 Optivantage 바탕으로 개발된 OptiOne은 Optivantage를 통해 입증된 안전성과 프로그램 장점을 가지고 있습니다.
OptiVantage® CT Dual injector
12시간 사용가능
12시간 사용 (Multi-use) 제품은 매 환자마다 주사기와 튜브를 교체할 필요가 없습니다.(Secufill(급여) 제품만 1환자당 1개씩 사용)
당사의 모든 제품은 CE 마크가 있으며 유럽 연합을 준수합니다. 의료 기기에 대한 규제 요구 사항.

Auto Purge 기능(자동으로 공기를 제거해주는 기능)
A-Side 8cc, B-Side 10cc를 제거
사용자에게 확인 요청

동시주입 기능(Option)
Contrast와 Saline을 동시에 주입할 수 있는 기능
5% 단위로 비율 조정 가능함
동시주입 시 혼합비율(%)과 함께 Contrast와 Saline의 주입량(ml)을 실시간으로 별도 표시

Timing Bolus 기능
본 주입에 앞서 소량의 Contrast 및 Saline을 주입하여 관심영역(촬영부위)에서 적정한 Scan Timming을 확인함(Test Protocol 대신 사용 가능)

Touch Screen 기능
Full Touch LCD Screen으로 간편한 조작 가능
Dual CPU 기능을 통해 Console에서 진행할 수 있는 모든 동작을 PowerHead에서도 운영이 가능함
장비동작 시 Console 및 PowerHead의 모든 버튼이 Emergency 기능

Pentency Check 기능
Saline을 주입하고자 하는 Flow로 소량 주입함으로써 환자의 I.V. Line 확인과 함께 Extravasation 예방 가능

한국어 지원(모든 메뉴 한국어, 영어 선택 가능)
초보자들이 사용하기 편한 한국어 지원

Pause 기능
총 6단계 주입에서 각 단계별로 Pause를 설정
사용자가 원하는 시간에 다시 주입이 가능

Protocol Memory
40개의 Ptorocol Memory를 통해 촬영준비 시간 절약 및 조작 간편화

자켓 교환을 통한 Syringe(size) 교체가능
200ml Front Load Syringe 투명한 외부 자켓을 통해 Syringe를 장착함으로써 고압력으로 인해 Contrast가 새어 나오는 문제를 해결(125m l Prefilled Syringe로 교체 가능)
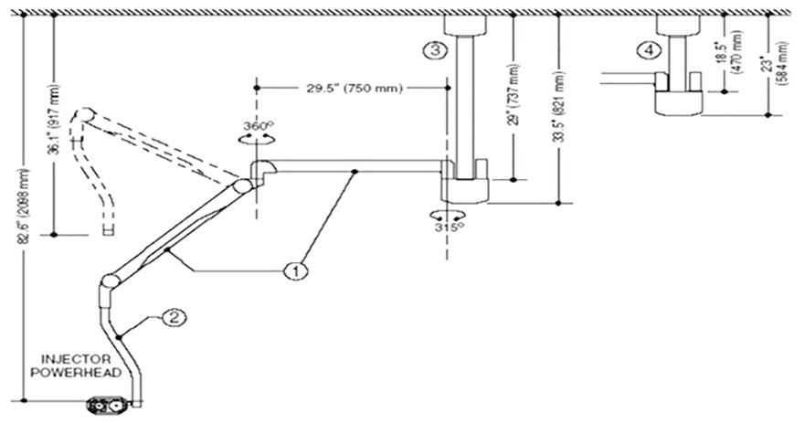
Stand Type
Ceiling Type
자세한 Spec 문의는 영업부 담당자 및 홍보자료실의 카탈로그를 참조 바랍니다.
12시간 소모품 SET 구성 : [ 200ml Syringe(800182) + ManyFIll D/S + Secufill ]
제조사Liebel-Flarsheim Company LLC(미국)
품명의약품직접주입기구 CT 12시간 Syringe
P/N800182 (200ml)
적용모델 OptiOne OptiVantage
보험(급여)산정불가
특징12시간 사용가능 소모품
제조사MEDEX(프랑스)
품명의약품직접주입기구
P/NManyfill S Vial
적용모델 OptiOne OptiVantage
보험(급여)산정불가
특징12시간 사용가능 소모품
제조사MEDEX(프랑스)
품명Manyfill D Vial
P/NManyfill D Vial
적용모델 OptiVantage
보험(급여)산정불가
특징12시간 사용가능 소모품
제조사MEDEX(프랑스) + (주)상아 프론테크(국산)
품명의약품직접주입기구 Secufill + SF50
P/NSecufill + SF50
적용모델 OptiOne OptiVantage
보험(급여)급여청구 가능 (보험코드 : M1017009)
특징Syringe 와 Manyfill 과 같이 사용 시 12시간 SET 로 구성하여 사용 가능
제조사Guerbet OEM (중국)
품명의약품직접주입기구 CT Single Pack Syringe
P/N800099S (200ml)
적용모델 OptiOne OptiVantage
보험(급여)산정불가
제조사누리메디칼 (국산)
품명의약품직접주입기구 (Y-Adaptor)
P/NPYR-20
적용모델 OptiVantage
보험(급여)산정불가
제조사누리메디칼 (국산)
품명의약품직접주입기구 (Y-Tube)
P/NPER-195
적용모델 OptiVantage
보험(급여)산정불가
제조사누리메디칼 (국산)
품명의약품직접주입기구 (Transfer Set - 수동)
P/NPWN-130
적용모델 OptiOne OptiVantage
보험(급여)산정불가
제조사누리메디칼 (국산)
품명의약품직접주입기구 (Transfer Set - 자동B)
P/NPDN-130B
적용모델 OptiOne OptiVantage
보험(급여)산정불가
제조사누리메디칼 (국산)
품명의약품직접주입기구 (Transfer Set - 자동S)
P/NPDN-130S
적용모델 OptiOne OptiVantage
보험(급여)산정불가
제조사누리메디칼 (국산)
품명의약품직접주입기구 (60" Coil)
P/NPR-180
적용모델 OptiOne OptiVantage
보험(급여)산정불가
제조사누리메디칼 (국산)
품명의약품직접주입기구 (60" Coil)
P/NPC-180
적용모델 OptiOne OptiVantage
보험(급여)산정불가
제조사누리메디칼 (국산)
품명의약품직접주입기구 (급여필터코일)
P/NSWPR-180D (3way)
적용모델 OptiOne OptiVantage
보험(급여)급여청구 가능 (보험코드 : M1102098)
제조사누리메디칼 (국산)
품명의약품직접주입기구 (급여필터코일)
P/NSPR-180D
적용모델 OptiOne OptiVantage
보험(급여)급여청구 가능 (보험코드 : M1102098)
제조사누리메디칼 (국산)
품명의약품직접주입기구 (급여필터코일)
P/NSVPR-180 (역류방지)
적용모델 OptiOne OptiVantage
보험(급여)급여청구 가능 (보험코드 : M1102098)
제조사누리메디칼 (국산)
품명의약품직접주입기구 (급여필터코일)
P/NSUR-25
적용모델 OptiOne OptiVantage
보험(급여)급여청구 가능 (보험코드 : M1102098)